Un display de 7-segmentos es una manera de visualizar los datos obtenidos por el uC, el envío de datos es realizado mediante 8 líneas lo cual equivale a utilizar todo un puerto del uC para poder manejar un solo 7-segmentos.
Pero muchas veces nos encontramos con la necesidad de utilizar más de un display 7-segmentos y a la vez no disponemos de la cantidad suficiente de puertos para ser utilizados para este propósito.
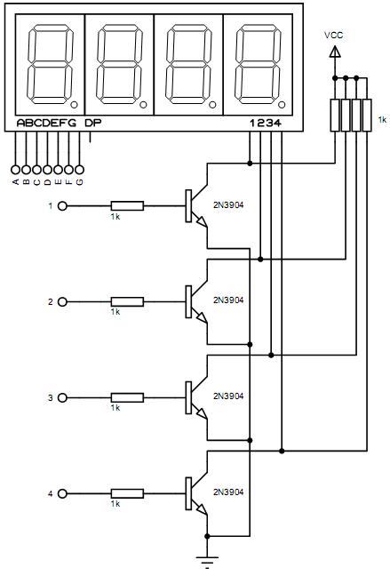
Podemos realizar un programa que se encargue de gestionar hasta ocho 7-segmentos, esto es posible utilizando un timer y un par de puertos de entrada/salida.
Ejemplo:

Descargas:

